|
| |
| CONTACT US |
|
| +86-318-3409777 |
| Tel:0318-3409777 3408928 |
| Fax:0318-3408528 |
| Mobile:15930385188 / 13833801759 |
| Q Q:464188009 |
| E-mail:hbjs@sztp.com |
| Website:http://chaoppp.com |
| Add:No.3, nanhu development zone, renmin west road, hengshui city, hebei province |
|
|
| |
|
|
| Products |
Current position:Home >>Products |
|
|
|
|
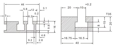
| JS.110002 T collision block groove boards |
Release date:2016/4/22 16:47:24 |
| Browse:2080
times |
| Product list:Other products
|
| Order hotline:15930385188 / 13833801759 |
 |
|
|
|
| Describe |
JS.110002 T collision block groove boards This product according to the similar foreign products development and production samples (west), can be more reasonably complete machine tool control requirements, to a certain extent, has improved the production efficiency of the machine. This product has simple structure, convenient installation, good maneuverability, beautiful shape, smooth surface, the roughness Ra 1.6 or less, or less hardness (HB) 70 or more, can tighten in combination machine tools, machinery platform, etc. Various kinds of machine tools, hydraulic slider.by won't produce displacement, reliable work.


|
|
|
| |
 |
|
|
|